◆ Model : YE60 YE100 YE150
◆ Gunakan: Pengukur tekanan kotak membran juga disebut pengukur tekanan mikro. Ini cocok untuk mengukur tekanan mikro rendah dari gas atau uap tanpa bahaya ledakan, non-kristalisasi, non-kondensasi, dan efek non-korosif pada paduan tembaga dan tembaga.
◆ Parameter teknis :
| Nomor Model | Ye60 | YE100 | YE150 | |
| Diameter nominal | Φ 60 | Φ 100 | Φ 150 | |
| Jenis pemasangan | Ⅰ | * | * | * |
| Ⅱ | / | * | * | |
| Ⅲ | * | / | / | |
| Ⅳ | / | * | * | |
| Ⅴ | * | / | / | |
| Utas konektor | M14 × 1.5 | M20 × 1.5 | ||
| Kelas Akurasi | 1.6 ; 2.5 | |||
| Rentang pengukuran ( KPA ) | -40 ~ 0 -25 ~ 0 -16 ~ 0 -10 ~ 0 -6 ~ 0 -4 ~ 0 0 ~ 4 0 ~ 6 0 ~ 10 0 ~ 16 0 ~ 25 0 ~ 40 -2 ~ 2 -3 ~ 3 -5 ~ 5 -8 ~ 8 -12 ~ 12 -20 ~ 20 | |||
| Kondisi Penggunaan Lingkungan | Suhu : -25 ℃~ 55 ℃; Kelembaban relatif : ≤ 80 % | |||
| Peringkat getaran | V · H · 2 | |||
| Bahan kotak membran | QSN4-0.3 | |||
| Kelas Perlindungan | IP54 | |||
| Standar Implementasi | JB/T 9274 | |||
| Catatan: 1. Utas bersama dapat disesuaikan sesuai dengan persyaratan pengguna. | ||||
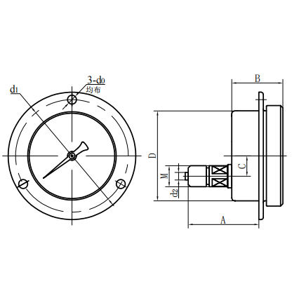
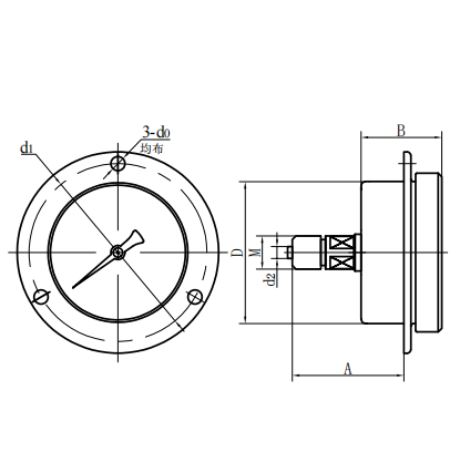
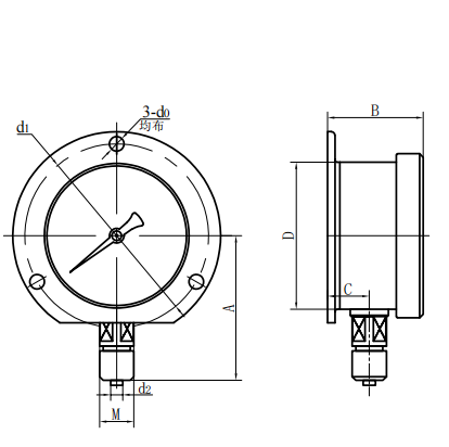
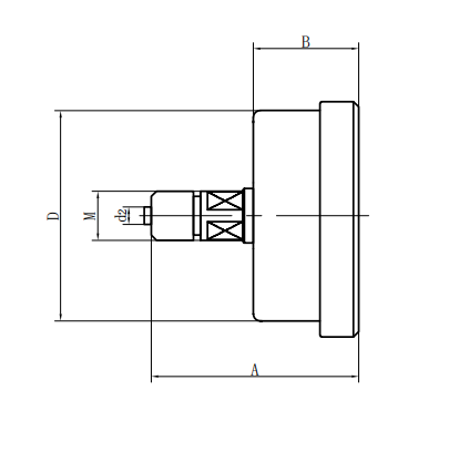
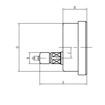
◆ Dimensi Eksternal:
| Tipe Direct Radial (ⅰ) | Tipe Langsung Eksentrik Aksial (ⅱ) |
| Tipe Langsung Konsentris Aksial (III) | Jenis insert eksentrik aksial (IV) |
| Tipe penyisipan konsentris aksial (V) | Jenis Cembung Radial (VI) |
| Nomor Model | Dimensi keseluruhan ( mm ) | ||||||
| A | B | C | D | E | d2 | M | |
| Ye60 -Ⅰ | 58 | 35 | 11 | φ 60 | 5 | φ 4 | M10 × 1 |
| Ye60 -Ⅲ | 58 | 35 | / | φ 60 | 5 | φ 4 | M10 × 1 |
| | | | | | | | |
| YE100 -Ⅰ | 93 | 50 | 16.5 | Φ 100 | 16.5 | φ 6 | M20 × 1.5 |
| YE100 -Ⅲ | 85 | 50 | / | Φ 100 | 16.5 | φ 6 | M20 × 1.5 |
| | | | | | | | |
| YE150 -Ⅰ | 118 | 53 | 18.5 | φ 150 | 19 | φ 6 | M20 × 1.5 |
| YE150 -Ⅲ | 96 | 53 | / | φ 150 | 19 | φ 6 | M20 × 1.5 |
| | | | | | | | |


















