◆ Model: YN40 YN50 YN60 YN75 YN100 YN150
◆ Penggunaan: Serangkaian instrumen ini memiliki ketahanan guncangan yang baik, terutama cocok untuk tempat -tempat dengan getaran yang kuat dari mesin lingkungan, dan dapat menahan denyutan kekerasan, guncangan dan pembongkaran tekanan sedang yang tiba -tiba. Ini cocok untuk mengukur tekanan cairan, gas atau uap yang tidak memiliki bahaya ledakan, tidak mengkristal, tidak memadat, dan tidak memiliki efek korosif pada paduan tembaga dan tembaga. Instrumen menunjukkan bacaan yang stabil dan jelas. Ini banyak digunakan dalam mesin berat, pertambangan, minyak bumi, industri kimia, metalurgi, tenaga listrik dan departemen lainnya.
◆ Dalam aplikasi praktis, sesuai dengan karakteristik khusus dari berbagai media (seperti larangan minyak, api, tahan korosi, dll.), Persyaratan instrumen berbeda, sehingga serangkaian instrumen ini mendapatkan banyak instrumen khusus yang sesuai, diameter nominalnya, jenis instalasi, utas konektor, tingkat akurasi, pengukuran rentang, dll adalah yang sama dengan Seismik (kuncangan) Kuncangan).
2.1 Cocok untuk mengukur tekanan media yang mudah terbakar dan meledak. Sangat dilarang untuk dihubungi dengan zat yang mudah terbakar berminyak. Perawatan degreasing dilakukan sebelum meninggalkan pabrik dan diuji bebas dari minyak.
2.1.1 Yon Series tahan guncangan (seismik) Pengukur tekanan oksigen
2.1.2 Seri YHN yang tahan guncangan (seismik) Pengukur tekanan hidrogen
2.1.3 Serangkaian Yyn dari pengukur tekanan asetilena tahan guncangan
2.2 Bahan yang digunakan tahan terhadap korosi media atau instrumen tidak berpengaruh pada medium, dan untuk memastikan bahwa elemen dan antarmuka deteksi bersih dan bebas dari minyak.
2.2.1 Seri Yan yang tahan guncangan (syok) pengukur tekanan amonia
2.2.2 Seri YDQN dari pengukur tekanan nitrogen tahan guncangan (syok)
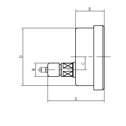
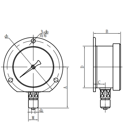
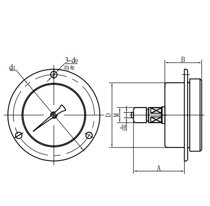
Seri YN Seri-anti Pengukur Tekanan
Model: 40mm (1,5 "), 50mm (2"), 60mm (2.5 "), 100mm (4"), 150mm (6 ")
Perkenalan:
Serangkaian instrumen memiliki ketahanan guncangan yang sangat baik, indikasi yang stabil, pembacaan yang jelas, dan sangat cocok untuk digunakan di tempat -tempat dengan getaran mekanis yang intens. Mereka juga dapat menahan denyut nadi drastis, dampak, dan pengurangan beban medium yang tiba-tiba. Mekanisme penyerap kejut dan desain yang diisi cairan (biasanya gliserin dan oli silikon) memungkinkan pengukur tekanan ini untuk memastikan pengukuran tekanan yang andal dan tepat bahkan di bawah kondisi kompleks dan merugikan. Karena elastisitas dan akurasinya, ia banyak digunakan di berbagai industri.



















































































































