◆ Model: YLM60 YLM100 YLM150
◆ Aplikasi: Serangkaian instrumen ini adalah instrumen khusus untuk mendeteksi suhu rendah atau media refrigeran khusus, terutama digunakan dalam lemari es AC, air dingin, pengering udara atau perakitan sistem grup meter refrigeran.
Ini juga dapat membuat panel multi-pelabelan refrigeran yang berbeda sesuai dengan persyaratan pelanggan, dan ada banyak jenis topi dan kasing (gaya Swiss) untuk dipilih oleh pelanggan.
Karena desain konektor yang dioptimalkan dan pertimbangan khusus dalam pemilihan bahan pengelasan dan komponen penginderaan tekanan, serangkaian produk ini memiliki karakteristik anti-kebocoran yang sangat baik, pulsa anti-tekanan dan anti-getaran, sehingga kualitas instrumen sangat ditingkatkan, dan kerusakan dan hilangnya sistem pendingin karena masalah kualitas produk yang dihilangkan.
◆ Parameter teknis :
| Nomor Model | Ylm60 | YLM100 | YLM150 | |
| Diameter nominal | Φ 60 | Φ 100 | Φ 150 | |
| Jenis pemasangan | Ⅰ | * | * | * |
| Ⅱ | * | * | * | |
| Ⅲ | * | / | / | |
| Ⅳ | * | * | * | |
| Ⅴ | * | / | / | |
| Ⅵ | * | * | * | |
| Utas konektor | M14 × 1.5 | M20 × 1.5 | ||
| Kelas Akurasi | 2.5 | 1.6 | ||
| Rentang pengukuran ( MPa ) | tegangan rendah : (- 30 ~ 0 …… 15 ) kg , 1.8Mpa Menindas :( 0 ~ 35 ) kg , 3.8Mpa | |||
| Spesifikasi jenis media | R134a 、 R22a 、 R404a 、 R407a | |||
| Kondisi Penggunaan Lingkungan | suhu : -20 ℃~ 60 ℃; Kelembaban Relatif : ≤ 80 % | |||
| peringkat getaran | V · H · 3 | |||
| Kelas Perlindungan | IP54 | |||
| Standar Implementasi | GB/T 1226 | |||
| Catatan: 1. Utas bersama dapat disesuaikan sesuai dengan persyaratan pengguna. | ||||
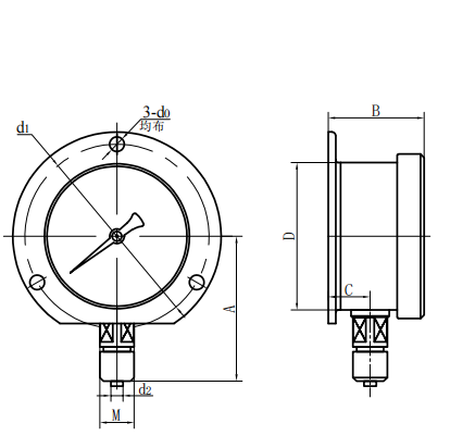
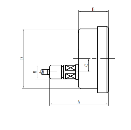
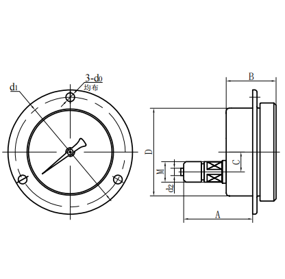
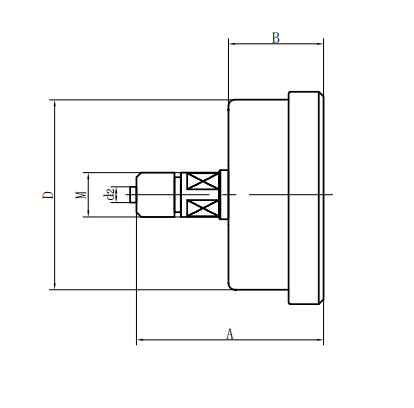
◆ Dimensi Eksternal:
| Tipe Direct Radial (ⅰ) | Tipe Langsung Eksentrik Aksial (ⅱ) |
| Tipe Langsung Konsentris Aksial (III) | Jenis insert eksentrik aksial (IV) |
| Tipe penyisipan konsentris aksial (V) | Jenis Cembung Radial (VI) |
| Nomor Model | Dimensi keseluruhan ( mm ) | |||||||
| A | B | C | D | d0 | d1 | d2 | M | |
| Ylm60 -Ⅰ | 56 | 33 | 11 | Φ 60 | / | / | Φ 5 | M14 × 1.5 |
| Ylm60 -Ⅱ | 61 | 32.5 | 18 | Φ 60 | / | / | | |
| Ylm60 -Ⅲ | 61 | 32.5 | / | Φ 60 | / | / | Φ 5 | M14 × 1.5 |
| Ylm60 -Ⅳ | 55 | 32.5 | 18 | Φ 60 | Φ 5 | Φ 75 | | |
| Ylm60 -Ⅴ | 55 | 32.5 | / | Φ 60 | Φ 5 | Φ 75 | Φ 5 | M14 × 1.5 |
| Ylm60 -Ⅵ | 56 | 33 | 11 | Φ 60 | Φ 5 | Φ 75 | Φ 5 | M14 × 1.5 |
| YLM100 -Ⅰ | 90 | 48 | 15 | Φ 100 | / | / | Φ 6 | M20 × 1.5 |
| YLM100 -Ⅱ | 83 | 44 | 34 | Φ 100 | / | / | Φ 6 | M20 × 1.5 |
| YLM100 -Ⅳ | 68 | 44 | 34 | Φ 100 | Φ 6 | Φ 118 | Φ 6 | M20 × 1.5 |
| YLM100 -Ⅵ | 90 | 48 | 15 | Φ 100 | Φ 6 | Φ 118 | Φ 6 | M20 × 1.5 |
| YLM150 -Ⅰ | 117 | 51 | 16.5 | Φ 150 | / | / | Φ 6 | M20 × 1.5 |
| YLM150 -Ⅱ | 92 | 52 | 55 | Φ 150 | / | / | Φ 6 | M20 × 1.5 |
| YLM150 -Ⅳ | 69 | 52 | 55 | Φ 150 | Φ 6 | Φ 165 | Φ 6 | M20 × 1.5 |
| YLM150 -Ⅵ | 117 | 53 | 28 | Φ 150 | Φ 6 | Φ 165 | Φ 6 | M20 × 1.5 |


















