◆ Model: YC40 YC50 YC60 YC75 YC100 YC150
◆ Gunakan: Serangkaian instrumen ini cocok untuk mengukur tekanan cairan, gas, uap dan media cairan lainnya tanpa bahaya ledakan, kristalisasi atau pemadatan pada kapal dan peralatan terkait.
Serangkaian instrumen ini memiliki tipe bercahaya, dalam skala utama dial dan ujung depan pointer dilapisi dengan agen bercahaya permanen aktif atau pasif, sehingga nilai tekanan dapat dibaca dengan jelas dalam gelap.
Cangkang dari rangkaian instrumen ini sepenuhnya disegel dan memiliki ketahanan tertentu terhadap korosi air laut, sehingga melindungi komponen internal instrumen dari kerusakan dan korosi oleh gelombang dan air laut.
Serangkaian instrumen ini juga dapat diisi dengan minyak redaman viskositas rendah di cangkang, dengan kemampuan untuk menahan getaran lingkungan kerja yang disebabkan oleh cuaca buruk di laut dan denyut tekanan sedang.
Serangkaian instrumen ini terutama digunakan dalam pengiriman lepas pantai, ladang minyak dan gas lepas pantai, platform pengeboran lepas pantai, penambangan dasar laut, navigasi pedalaman dan industri lainnya.
◆ Parameter teknis :
| Nomor Model | Ylm60 | YLM100 | YLM150 | |
| Diameter nominal | Φ 60 | Φ 100 | Φ 150 | |
| Jenis pemasangan | Ⅰ | * | * | * |
| Ⅱ | * | * | * | |
| Ⅲ | * | / | / | |
| Ⅳ | * | * | * | |
| Ⅴ | * | / | / | |
| Ⅵ | * | * | * | |
| Utas konektor | M14 × 1.5 | M20 × 1.5 | ||
| Kelas Akurasi | 2.5 | 1.6 | ||
| Rentang pengukuran ( MPa ) | Kosong: -0.1 ~ 0 Vakum tekanan : -0.1 ~ 0.06 -0.1 ~ 0.15 -0.1 ~ 0.3 -0.1 ~ 0.5 -0.1 ~ 0.9 -0.1 ~ 1.5 -0.1 ~ 2.4 Tekanan: 0 ~ 0.1 0 ~ 0.16 0 ~ 0.25 0 ~ 0.4 0 ~ 0.6 0 ~ 1 0 ~ 1.6 0 ~ 2.5 0 ~ 4 0 ~ 6 0 ~ 10 0 ~ 16 0 ~ 25 0 ~ 40 0 ~ 60 0 ~ 100 、 0 ~ 160 、 0 ~ 250 |
| Kondisi Penggunaan Lingkungan | suhu : -40 ℃~ 70 ℃ |
| peringkat getaran | Jenis Normal : V · H · 3 ; Tipe seismik (tipe cairan yang dipenuhi) : V · H · 4 |
| Bahan tabung Borden | QSN4-0.3 、 OCR18NI12MO2TI |
| Bahan kasing dan konektor | 1CR18NI9TI ; Sus304 |
| Kelas Perlindungan | IP65 |
| Standar Implementasi | GB/T 1226 ; JB/T 6804 |
| Catatan: 1. Utas bersama dapat disesuaikan sesuai dengan persyaratan pengguna. | |
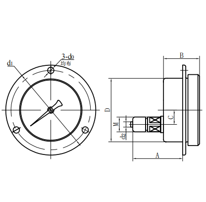
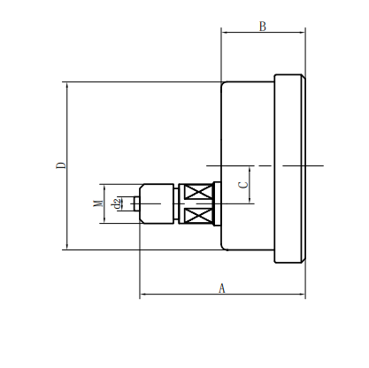
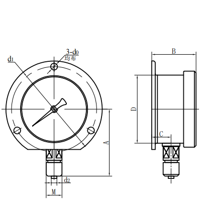
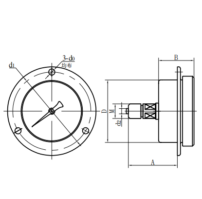
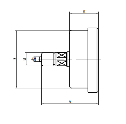
◆ Dimensi Eksternal:
| Tipe Direct Radial (ⅰ) | Tipe Langsung Eksentrik Aksial (ⅱ) |
| Tipe Langsung Konsentris Aksial (III) | Jenis insert eksentrik aksial (IV) |
| Tipe penyisipan konsentris aksial (V) | Jenis Cembung Radial (VI) |
| Nomor Model | Dimensi keseluruhan (mm) | |||||||
| A | B | C | D | d0 | d1 | d2 | M | |
| Yc60- Ⅰ | 56 | 33 | 11 | Φ 60 | / | / | Φ 5 | M14 × 1.5 |
| Yc60- Ⅱ | 61 | 32.5 | 18 | Φ 60 | / | / | Φ 5 | |
| Yc60- Ⅲ | 61 | 32.5 | / | Φ 60 | / | / | Φ 5 | M14 × 1.5 |
| Yc60- Ⅳ | 55 | 32.5 | 18 | Φ 60 | Φ 5 | Φ 75 | Φ 5 | |
| Yc60- Ⅴ | 55 | 32.5 | / | Φ 60 | Φ 5 | Φ 75 | Φ 5 | M14 × 1.5 |
| Yc60- Ⅵ | 56 | 33 | 11 | Φ 60 | Φ 5 | Φ 75 | Φ 5 | M14 × 1.5 |
| YC100- Ⅰ | 90 | 48 | 15 | Φ 100 | / | / | Φ 6 | M20 × 1.5 |
| YC100- Ⅱ | 83 | 44 | 34 | Φ 100 | / | / | Φ 6 | M20 × 1.5 |
| YC100- Ⅳ | 68 | 44 | 34 | Φ 100 | Φ 6 | Φ 118 | Φ 6 | M20 × 1.5 |
| YC100- Ⅵ | 90 | 48 | 15 | Φ 100 | Φ 6 | Φ 118 | Φ 6 | M20 × 1.5 |
| Yc150- Ⅰ | 117 | 51 | 16.5 | Φ 150 | / | / | Φ 6 | M20 × 1.5 |
| Yc150- Ⅱ | 92 | 52 | 55 | Φ 150 | / | / | Φ 6 | M20 × 1.5 |
| Yc150- Ⅳ | 69 | 52 | 55 | Φ 150 | Φ 6 | Φ 165 | Φ 6 | M20 × 1.5 |
| Yc150- Ⅵ | 117 | 53 | 28 | Φ 150 | Φ 6 | Φ 165 | Φ 6 | M20 × 1.5 |


















