◆ Model: YJ150 YJ150A
◆ Gunakan: Serangkaian instrumen ini terutama digunakan untuk mengkalibrasi alat pengukur tekanan industri atau sipil. Ini juga dapat digunakan untuk secara akurat mengukur tekanan media non-korosif, non-kristal dan non-konsolidasi seperti paduan tembaga dan baja struktural paduan di lokasi proses.
Serangkaian instrumen ini dalam garis skala di bawah pengaturan cincin cermin, yang digunakan dapat membuat kesalahan bacaan diminimalkan. Jenis dengan nol perangkat, dalam proses penggunaan, jika Anda menemukan bahwa pointer tidak kembali ke nol, tanpa adanya tekanan media dapat menjadi penunjuk yang disempurnakan, sehingga kembali ke nol untuk mengurangi kesalahan. "
◆ Parameter teknis :
| Nomor Model | YJ150 | YJ150A | |
| Diameter nominal | Φ 150 | ||
| Formulir Instalasi | Ⅰ | * | * |
| Ⅳ | * | * | |
| Utas konektor | M20 × 1.5 | ||
| Kelas Akurasi | 0.4 | ||
| Rentang pengukuran ( MPa ) | Kosong: -0.1 ~ 0 Vakum tekanan : -0.1 ~ 0.06 -0.1 ~ 0.15 -0.1 ~ 0.3 -0.1 ~ 0.5 -0.1 ~ 0.9 -0.1 ~ 1.5 -0.1 ~ 2.4 Tekanan: 0 ~ 0.1 0 ~ 0.16 0 ~ 0.25 0 ~ 0.4 0 ~ 0.6 0 ~ 1 0 ~ 1.6 0 ~ 2.5 0 ~ 4 0 ~ 6 0 ~ 10 0 ~ 16 0 ~ 25 0 ~ 40 0 ~ 60 0 ~ 100 | ||
| Kondisi Penggunaan Lingkungan | suhu : 20 ℃ ± 3 ℃ | ||
| peringkat getaran | V · H · 2 | ||
| Kelas Perlindungan | IP54 | ||
| Standar Implementasi | GB/T 1227 | ||
| Catatan: 1. Utas bersama dapat disesuaikan sesuai dengan persyaratan pengguna. | |||
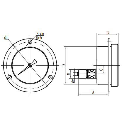
◆ Dimensi Eksternal:
| Tipe Direct Radial (ⅰ) | Tipe Langsung Eksentrik Aksial (ⅱ) |
| Nomor Model | Dimensi keseluruhan ( mm ) | |||||||
| A | B | C | D | d0 | d1 | d2 | M | |
| Yj150- Ⅰ Yj150a- Ⅰ | 113 | 51 | 21 | Φ 150 | / | / | Φ 6 | M20 × 1.5 |
| Yj150- Ⅳ Yj150a- Ⅳ | 79 | 51 | 55 | Φ 150 | Φ 6 | Φ 165 | Φ 6 | M20 × 1.5 |


















