◆ Model: YQ40 YQ50 YQ60 YQ75 YQ100 YQ150
◆ Gunakan: Serangkaian alat pengukur ini semuanya terbuat dari baja tahan karat, dengan partisi keselamatan internal dan lubang pelepas tekanan di bagian atas untuk melepaskan tekanan berlebihan di dalam kasus karena pecahnya yang disebabkan oleh kelebihan atau kelelahan elemen elastis, untuk melindungi keamanan dan peralatan dan fasilitas yang diisi dengan pengukur yang diisi dengan cairan dan pengisi yang diisi dengan pengisi yang diisi dengan cairan dan kompensasi internal di atasnya. Top. Top. Top. Top. Top. Top. Top. Top. Top. Top. Top. Top. Top. TOP. TOP. TOP. TOP. TOP. TOP. TOP. TOP. Pengukur pengaman yang dipenuhi cairan tahan getaran, mencegah kerusakan pada bagian dalam pengukur karena getaran, dan melumasi komponen internal untuk meminimalkan keausan dan korosi.
Pengukur ini banyak digunakan dalam pengeboran, pemurnian, bahan kimia, makanan, farmasi, kelautan, platform minyak lepas pantai dan industri lainnya.
| Nomor Model | YQ60 | YQ100 | YQ150 | |
| Diameter nominal | Φ 60 | Φ 100 | Φ 150 | |
| Formulir Instalasi | Ⅰ | * | * | * |
| Ⅱ | * | * | * | |
| Ⅲ | * | / | / | |
| Ⅳ | * | * | * | |
| Ⅴ | * | / | / | |
| Ⅵ | * | * | * | |
| Utas konektor | M14 × 1.5 | M20 × 1.5 | ||
| Kelas Akurasi | 2.5 | 1.6 | ||
| Rentang pengukuran ( MPa ) | Kosong: -0.1 ~ 0 Vakum tekanan : -0.1 ~ 0.06 -0.1 ~ 0.15 -0.1 ~ 0.3 -0.1 ~ 0.5 -0.1 ~ 0.9 -0.1 ~ 1.5 -0.1 ~ 2.4 Tekanan: 0 ~ 0.1 0 ~ 0.16 0 ~ 0.25 0 ~ 0.4 0 ~ 0.6 0 ~ 1 0 ~ 1.6 0 ~ 2.5 0 ~ 4 0 ~ 6 0 ~ 10 0 ~ 16 0 ~ 25 0 ~ 40 0 ~ 60 0 ~ 100 0 ~ 160 0 ~ 250 | |||
| Kondisi Penggunaan Lingkungan | suhu : -40 ℃~ 70 ℃ | |||
| peringkat getaran | V · H · 3 | |||
| Bahan tabung Borden | OCR18NI12MO2TI ; Sus316 ; SUS316L | |||
| Bahan kasing dan konektor | 1CR18NI9TI ; Sus304 | |||
| Kelas Perlindungan | IP65 | |||
| Standar Implementasi | GB/T1226 | |||
| Catatan: 1. Utas bersama dapat disesuaikan sesuai dengan persyaratan pengguna. | ||||
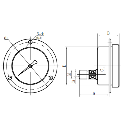
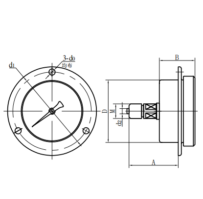
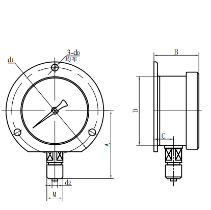
◆ Dimensi Eksternal:
| Tipe Direct Radial (ⅰ) | Tipe Langsung Eksentrik Aksial (ⅱ) |
| Tipe Langsung Konsentris Aksial (III) | Jenis insert eksentrik aksial (IV) |
| Tipe penyisipan konsentris aksial (V) | Jenis Cembung Radial (VI) |
| Nomor Model | Dimensi keseluruhan ( mm ) | |||||||
| A | B | C | D | d0 | d1 | d2 | M | |
| Yq60- Ⅰ | 56 | 33 | 11 | Φ 60 | / | / | Φ 5 | M14 × 1.5 |
| Yq60- Ⅱ | 61 | 32.5 | 18 | Φ 60 | / | / | Φ 5 | |
| Yq60- Ⅲ | 61 | 32.5 | / | Φ 60 | / | / | Φ 5 | M14 × 1.5 |
| Yq60- Ⅳ | 55 | 32.5 | 18 | Φ 60 | Φ 5 | Φ 75 | Φ 5 | |
| Yq60- Ⅴ | 55 | 32.5 | / | Φ 60 | Φ 5 | Φ 75 | Φ 5 | M14 × 1.5 |
| Yq60- Ⅵ | 56 | 33 | 11 | Φ 60 | Φ 5 | Φ 75 | Φ 5 | M14 × 1.5 |
| YQ100- Ⅰ | 90 | 48 | 15 | Φ 100 | / | / | Φ 6 | M20 × 1.5 |
| YQ100- Ⅱ | 83 | 44 | 34 | Φ 100 | / | / | Φ 6 | M20 × 1.5 |
| YQ100- Ⅳ | 68 | 44 | 34 | Φ 100 | Φ 6 | Φ 118 | Φ 6 | M20 × 1.5 |
| YQ100- Ⅵ | 90 | 48 | 15 | Φ 100 | Φ 6 | Φ 118 | Φ 6 | M20 × 1.5 |
| YQ150- Ⅰ | 117 | 51 | 16.5 | Φ 150 | / | / | Φ 6 | M20 × 1.5 |
| YQ150- Ⅱ | 92 | 52 | 55 | Φ 150 | / | / | Φ 6 | M20 × 1.5 |
| YQ150- Ⅳ | 69 | 52 | 55 | Φ 150 | Φ 6 | Φ 165 | Φ 6 | M20 × 1.5 |
| YQ150- Ⅵ | 117 | 53 | 28 | Φ 150 | Φ 6 | Φ 165 | Φ 6 | M20 × 1.5 |


















