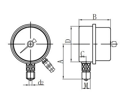
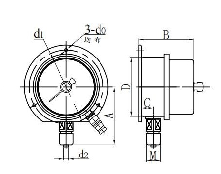
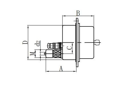
◆ Model: Yxc60 YX100 YXC-150
◆ Aplikasi: Jenis instrumen ini cocok untuk mengukur tekanan cairan, gas atau uap tanpa bahaya ledakan, tidak ada kristalisasi, tidak ada pemadatan, dan tidak ada efek korosif pada paduan tembaga dan tembaga. Ketika dilengkapi dengan sirkuit yang sesuai, ia dapat mengirim alarm atau kontrol otomatis ke sistem tekanan untuk diukur dan dikendalikan.
◆ Jika perlu membuat pengukur tekanan tipe shockproof, itu dapat diisi dengan gliserin atau minyak silikon.


















